陶瓷雾化片 Atomization Piece
陶瓷晶振 Ceramic SMD crystal
陶瓷滤波器 CeramicFilter
声表面滤波器|谐振器 SAW filter
千赫晶体KHZ KHz Crystal
石英晶振 Quartz Crystal
贴片晶振 SMD crystal
NJR晶振
应达利晶振
日本大真空晶体 KDS晶振
精工晶振 SEIKO晶体
日本村田陶瓷晶振
西铁城晶振 CITIZEN晶振
爱普生晶振 EPSON晶振
NSK晶振 NSK晶振
大河晶振 大河晶振
CTS晶振 美国CTS晶振
TXC晶振 TXC晶振
鸿星晶振 鸿星晶振
加高晶振 加高晶振
百利通亚陶晶振 百利通亚陶晶振
泰艺晶振 泰艺晶振
京瓷晶振 京瓷晶振
NDK晶振 NDK晶振
希华晶振 希华晶振
富士晶振 富士晶振
MERCURY晶振
NAKA晶振
SMI晶振
安基晶振
NKG晶振
Renesas瑞萨晶振
ITTI晶振
CTS晶振
Abracon晶振
微晶晶振
瑞康晶振
FOX晶振
Statek晶振
ECS晶振
IDT晶振
高利奇晶振
SiTime晶振
日蚀晶振
康纳温菲尔德晶振
Jauch晶振
维管晶振
拉隆晶振
格林雷晶振
Pletronics晶振
AEK晶振
AEL晶振
Cardinal晶振
Crystek晶振
Euroquartz晶振
Frequency晶振
GEYER晶振
ILSI晶振
KVG晶振
MMDCOMP晶振
MtronPTI晶振
QANTEK晶振
QuartzCom晶振
QuartzChnik晶振
SUNTSU晶振
Transko晶振
WI2WI晶振
韩国三呢晶振
ARGO晶振
ACT晶振
Milliren晶振
韩国Lihom晶振
rubyquartz晶振
美国Oscilent晶振
韩国SHINSUNG晶振
PDI晶振
C-TECH晶振
IQD晶振
Microchip晶振
Fortiming晶振
CORE晶振
NIPPON晶振
NIC晶振
QVS晶振
Bomar晶振
Bliley晶振
GED晶振
FILTRONETICS晶振
STD晶振
Q-Tech晶振
Anderson晶振
Wenzel晶振
NEL晶振
EM晶振
德国PETERMANN晶振
荷兰FCD-Tech晶体
HEC晶振
FMI晶振
Macrobizes晶振
德国AXTAL晶振
Silicon晶振
SKYWORKS晶振
DEI晶振
石英晶体振荡器 石英晶体振荡器
压控晶振 压控晶振
温补晶振 温补晶振
压控温补晶振 压控温补晶振
恒温晶振 恒温晶振
差分晶振 差分晶振
32.768K有源晶振 32.768K有源晶振
座机: 0755-27876565
手机: 18924600166
E-mail:yijindz@163.com
QQ:857950243
地址:深圳市宝安区新安107国道旁甲岸路
AB26TRQ-32.768KHZ-T,圆柱晶振,ABRACON艾博康晶振
.png)
.png)
AB26TRQ-32.768KHZ-T,圆柱晶振,ABRACON艾博康晶振
作为艾博康(ABRACON)旗下的标准化晶振产品,AB26TRQ-32.768KHZ-T小体积圆柱晶振依托品牌数十年的频率控制元件研发经验,从原材料筛选到生产检测均遵循国际质量管理体系.产品通过多项行业认证,在电气性能,使用寿命,环境适应性等方面经过严格测试,确保每一款产品都符合全球市场的准入标准.同时,艾博康完善的供应链体系和技术支持服务,能为客户提供从选型到售后的全流程保障,降低设备研发与生产过程中的风险.欢迎来电咨询0755-27876565
.png)
.png)
AB26TRQ-32.768KHZ-T,圆柱晶振,ABRACON艾博康晶振
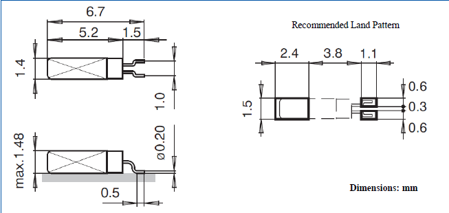
| 原厂型号 Originalmodel: | AB26TRQ-32.768KHZ-T | 品牌brand: | 艾博康晶振 |
| 型号名称 Modelname: | E3SB | Size/Dimension尺寸 | 6.7*1.4mm |
| Type系列: | KHz Crystal | 高度PackageHeight: | 1.48mm |
| 频率 frequency: | 32.768K | 温度OperatingTemperature | -40°C ~ 85°C |
| Frequency Stability频率稳定度 | - | 脚位Termination: | 2pad |
| frequencytolerance频率容差 | ±20ppm | 封装类型PackageType: | - |
| Loadcapacitance 负载电容 | 12.5PF | 最小包装数MPQ: | - |
.png)
.png)
AB26TRQ-32.768KHZ-T,圆柱晶振,ABRACON艾博康晶振

AB26TRQ-32.768KHZ-T,圆柱晶振,ABRACON艾博康晶振
| ABDFTCXO-10.000MHZ-E-2-CT | Abracon | ABDFTCXO | TCXO | 14.2mm | 9.15mm | 3.1mm |
| ABDFTCXO-10.000MHZ-E-2-T2 | Abracon | ABDFTCXO | TCXO | 14.2mm | 9.15mm | 3.1mm |
| ABDFTCXO-10.000MHZ-E-2-T5 | Abracon | ABDFTCXO | TCXO | 14.2mm | 9.15mm | 3.1mm |
| ABDFTCXO-10.000MHZ-L-2-CT | Abracon | ABDFTCXO | TCXO | 14.2mm | 9.15mm | 3.1mm |
| ABDFTCXO-10.000MHZ-L-2-T2 | Abracon | ABDFTCXO | TCXO | 14.2mm | 9.15mm | 3.1mm |
| ABDFTCXO-10.000MHZ-L-2-T5 | Abracon | ABDFTCXO | TCXO | 14.2mm | 9.15mm | 3.1mm |
| ABDFTCXO-12.800MHZ-E-2-CT | Abracon | ABDFTCXO | TCXO | 14.2mm | 9.15mm | 3.1mm |
| ABDFTCXO-12.800MHZ-E-2-T2 | Abracon | ABDFTCXO | TCXO | 14.2mm | 9.15mm | 3.1mm |
| ABDFTCXO-12.800MHZ-E-2-T5 | Abracon | ABDFTCXO | TCXO | 14.2mm | 9.15mm | 3.1mm |
| ABDFTCXO-12.800MHZ-L-2-CT | Abracon | ABDFTCXO | TCXO | 14.2mm | 9.15mm | 3.1mm |
| ABDFTCXO-12.800MHZ-L-2-T2 | Abracon | ABDFTCXO | TCXO | 14.2mm | 9.15mm | 3.1mm |
| ABDFTCXO-12.800MHZ-L-2-T5 | Abracon | ABDFTCXO | TCXO | 14.2mm | 9.15mm | 3.1mm |
| ABDFTCXO-16.000MHZ-E-2-CT | Abracon | ABDFTCXO | TCXO | 14.2mm | 9.15mm | 3.1mm |
| ABDFTCXO-16.000MHZ-E-2-T2 | Abracon | ABDFTCXO | TCXO | 14.2mm | 9.15mm | 3.1mm |
| ABDFTCXO-16.000MHZ-E-2-T5 | Abracon | ABDFTCXO | TCXO | 14.2mm | 9.15mm | 3.1mm |
| ABDFTCXO-16.000MHZ-L-2-CT | Abracon | ABDFTCXO | TCXO | 14.2mm | 9.15mm | 3.1mm |
| ABDFTCXO-16.000MHZ-L-2-T2 | Abracon | ABDFTCXO | TCXO | 14.2mm | 9.15mm | 3.1mm |
| ABDFTCXO-16.000MHZ-L-2-T5 | Abracon | ABDFTCXO | TCXO | 14.2mm | 9.15mm | 3.1mm |
| ABDFTCXO-16.384MHZ-E-2-CT | Abracon | ABDFTCXO | TCXO | 14.2mm | 9.15mm | 3.1mm |
| ABDFTCXO-16.384MHZ-E-2-T2 | Abracon | ABDFTCXO | TCXO | 14.2mm | 9.15mm | 3.1mm |
| ABDFTCXO-16.384MHZ-E-2-T5 | Abracon | ABDFTCXO | TCXO | 14.2mm | 9.15mm | 3.1mm |
| ABDFTCXO-16.384MHZ-L-2-CT | Abracon | ABDFTCXO | TCXO | 14.2mm | 9.15mm | 3.1mm |
| ABDFTCXO-16.384MHZ-L-2-T2 | Abracon | ABDFTCXO | TCXO | 14.2mm | 9.15mm | 3.1mm |
| ABDFTCXO-16.384MHZ-L-2-T5 | Abracon | ABDFTCXO | TCXO | 14.2mm | 9.15mm | 3.1mm |
| ABDFTCXO-19.200MHZ-E-2-CT | Abracon | ABDFTCXO | TCXO | 14.2mm | 9.15mm | 3.1mm |
| ABDFTCXO-19.200MHZ-E-2-T2 | Abracon | ABDFTCXO | TCXO | 14.2mm | 9.15mm | 3.1mm |
| ABDFTCXO-19.200MHZ-E-2-T5 | Abracon | ABDFTCXO | TCXO | 14.2mm | 9.15mm | 3.1mm |
| ABDFTCXO-19.200MHZ-L-2-CT | Abracon | ABDFTCXO | TCXO | 14.2mm | 9.15mm | 3.1mm |
| ABDFTCXO-19.200MHZ-L-2-T2 | Abracon | ABDFTCXO | TCXO | 14.2mm | 9.15mm | 3.1mm |
| ABDFTCXO-19.200MHZ-L-2-T5 | Abracon | ABDFTCXO | TCXO | 14.2mm | 9.15mm | 3.1mm |
| ABDFTCXO-19.440MHZ-E-2-CT | Abracon | ABDFTCXO | TCXO | 14.2mm | 9.15mm | 3.1mm |
| ABDFTCXO-19.440MHZ-E-2-T2 | Abracon | ABDFTCXO | TCXO | 14.2mm | 9.15mm | 3.1mm |
| ABDFTCXO-19.440MHZ-E-2-T5 | Abracon | ABDFTCXO | TCXO | 14.2mm | 9.15mm | 3.1mm |
| ABDFTCXO-19.440MHZ-L-2-CT | Abracon | ABDFTCXO | TCXO | 14.2mm | 9.15mm | 3.1mm |
| ABDFTCXO-19.440MHZ-L-2-T2 | Abracon | ABDFTCXO | TCXO | 14.2mm | 9.15mm | 3.1mm |
| ABDFTCXO-19.440MHZ-L-2-T5 | Abracon | ABDFTCXO | TCXO | 14.2mm | 9.15mm | 3.1mm |
| ABDFTCXO-20.000MHZ-E-2-CT | Abracon | ABDFTCXO | TCXO | 14.2mm | 9.15mm | 3.1mm |
| ABDFTCXO-20.000MHZ-E-2-T2 | Abracon | ABDFTCXO | TCXO | 14.2mm | 9.15mm | 3.1mm |
| ABDFTCXO-20.000MHZ-E-2-T5 | Abracon | ABDFTCXO | TCXO | 14.2mm | 9.15mm | 3.1mm |
| ABDFTCXO-20.000MHZ-L-2-CT | Abracon | ABDFTCXO | TCXO | 14.2mm | 9.15mm | 3.1mm |
| ABDFTCXO-20.000MHZ-L-2-T2 | Abracon | ABDFTCXO | TCXO | 14.2mm | 9.15mm | 3.1mm |
| ABDFTCXO-20.000MHZ-L-2-T5 | Abracon | ABDFTCXO | TCXO | 14.2mm | 9.15mm | 3.1mm |
| ABDFTCXO-24.576MHZ-E-2-CT | Abracon | ABDFTCXO | TCXO | 14.2mm | 9.15mm | 3.1mm |
| ABDFTCXO-24.576MHZ-E-2-T2 | Abracon | ABDFTCXO | TCXO | 14.2mm | 9.15mm | 3.1mm |
| ABDFTCXO-24.576MHZ-E-2-T5 | Abracon | ABDFTCXO | TCXO | 14.2mm | 9.15mm | 3.1mm |
| ABDFTCXO-24.576MHZ-L-2-CT | Abracon | ABDFTCXO | TCXO | 14.2mm | 9.15mm | 3.1mm |
| ABDFTCXO-24.576MHZ-L-2-T2 | Abracon | ABDFTCXO | TCXO | 14.2mm | 9.15mm | 3.1mm |
| ABDFTCXO-24.576MHZ-L-2-T5 | Abracon | ABDFTCXO | TCXO | 14.2mm | 9.15mm | 3.1mm |
| ABDFTCXO-25.000MHZ-E-2-CT | Abracon | ABDFTCXO | TCXO | 14.2mm | 9.15mm | 3.1mm |
| ABDFTCXO-25.000MHZ-E-2-T2 | Abracon | ABDFTCXO | TCXO | 14.2mm | 9.15mm | 3.1mm |
| ABDFTCXO-25.000MHZ-E-2-T5 | Abracon | ABDFTCXO | TCXO | 14.2mm | 9.15mm | 3.1mm |
| ABDFTCXO-25.000MHZ-L-2-CT | Abracon | ABDFTCXO | TCXO | 14.2mm | 9.15mm | 3.1mm |
| ABDFTCXO-25.000MHZ-L-2-T2 | Abracon | ABDFTCXO | TCXO | 14.2mm | 9.15mm | 3.1mm |
| ABDFTCXO-25.000MHZ-L-2-T5 | Abracon | ABDFTCXO | TCXO | 14.2mm | 9.15mm | 3.1mm |
| ABDFTCXO-26.000MHZ-E-2-CT | Abracon | ABDFTCXO | TCXO | 14.2mm | 9.15mm | 3.1mm |
| ABDFTCXO-26.000MHZ-E-2-T2 | Abracon | ABDFTCXO | TCXO | 14.2mm | 9.15mm | 3.1mm |
| ABDFTCXO-26.000MHZ-E-2-T5 | Abracon | ABDFTCXO | TCXO | 14.2mm | 9.15mm | 3.1mm |
| ABDFTCXO-26.000MHZ-L-2-CT | Abracon | ABDFTCXO | TCXO | 14.2mm | 9.15mm | 3.1mm |
| ABDFTCXO-26.000MHZ-L-2-T2 | Abracon | ABDFTCXO | TCXO | 14.2mm | 9.15mm | 3.1mm |
| ABDFTCXO-26.000MHZ-L-2-T5 | Abracon | ABDFTCXO | TCXO | 14.2mm | 9.15mm | 3.1mm |
.png)
公司:深圳市亿金电子有限公司
SHENZHEN YIJIN ELECTRONICS CO;LTD
电话:0755-27876565
手机:18924600166
QQ:857950243
邮箱:yijindz@163.com
网站:http://www.yijindz.com
地址:广东省深圳市宝安区新安107国道旁






销售代表